

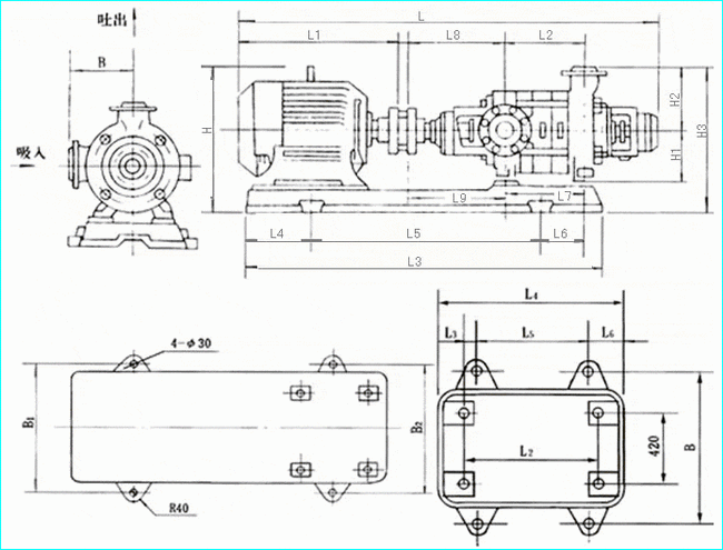
TSWA型臥式多級離心泵
外形安裝尺寸
相關文章
最新文章
SBLW全自動無負壓穩流給水設備參數三09.09
SBLW全自動無負壓穩流給水設備參數二09.09
SBLW全自動無負壓穩流給水設備參數一09.09
污水提升設備參數一06.08
污水提升設備參數二06.08
污水提升設備參數三06.08
隔油提升一體化設備參數一 06.08
隔油提升一體化設備參數二 06.08
隔油提升一體化設備參數三 06.08
隔油提升一體化設備參數四 06.08